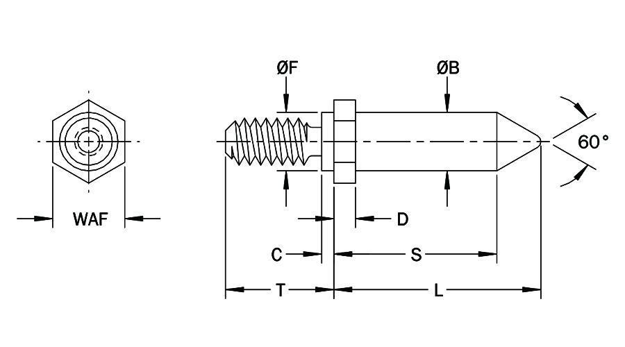
GM Male Thread Guide Pins

GM Male Thread Guide Pins


Features

  • Precisely aligns stacked and/or mating panels and chasses.
  • Male thread design requires no special installation tools.
  • Wide range of thread sizes, pin diameters and lengths accommodates most alignment requirements. Custom sizes available by request.
  • See GR guide pin nuts for a complete alignment solution.
  • Choice of RoHS compliant materials and finishes.

3D files available upon request.

Product PDF