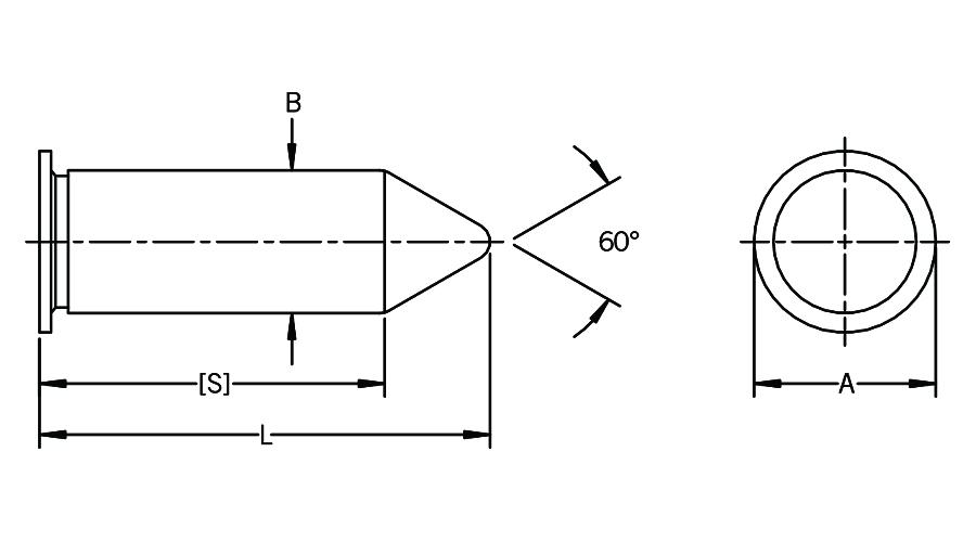
GN Thin Panel Guide Pins

GN Thin Panel Guide Pins


Features

  • Precisely aligns stacked and/or mating panels and chasses.
  • Male thread design requiresno special installation tools.
  • Wide range of thread sizes, pin diameters and lengths accommodates most alignment requirements. Custom sizes available by request.
  • See GR guide pinnuts for a complete alignment solution.
  • Choice of RoHS compliant materials and finishes.

3D files available upon request.

Product PDF