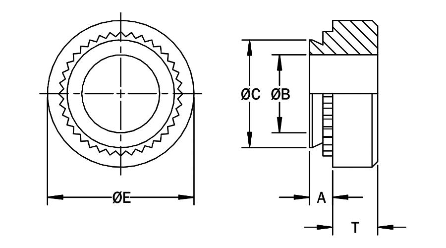
GRA Self-Clinching Guide Pin Receptacle Nuts

GRA Self-Clinching Guide Pin Receptacle Nuts


Features

  • Precise fit with GA, GB, GF, GN & GP guide pins.
  • Helps maintain parallelism between mating surfaces during assembly.
  • Permanent installation in aluminum, carbon steel, stainless steel and fiberglass (pcb) sheets.
  • Choice of RoHS compliant materials and finishes.
Product PDF